Søg
+45 44 85 90 00
Ny kunde
Log ind
Forside
Produkter
Express levering
Vidensbank
Kataloger og brochurer
Udbudsbeskrivelser
Drift og vedligehold
Installationsvejledninger
CAD-tegninger og BIM-modeller
Beregninger
Software
Vidensbank
Vejledninger til Webshoppen
Præsentationer
Kurser
Dali Grundkursus
Dali Kursus Advanced
Casambi Kursus
Referencer
Sundhedsvæsen
Skoler og institutioner
Kontorbygninger
Boliger og ejendomsselskaber
Hoteller og restauranter
Sport og fritid
Kunst og kultur
Transport og parkeringsanlæg
DMX projekter
Casambi løsninger
Døgnrytmeløsninger / Tunable White (TW)
Kontakt os
Kontaktoplysninger
Medarbejdere
Ny kunde
Support
Log ind
Du er her:
Med klemmer til Cu leder
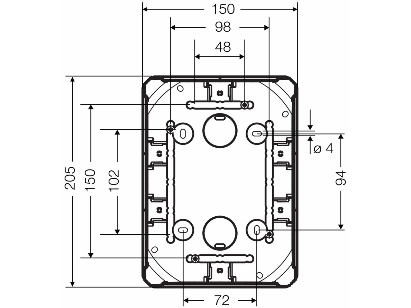
Forgreningsdåse 5x2,5-10 mm², Cu, 155x210x92 mm, IP66 - Grå
Hensel
Varenummer:
DK1610G
Forgreningsdåse 5x2,5-10 mm², Cu, 155x210x92 mm, IP66 - Grå
Hensel forgreningsdåse med klemme til Cu-leder, 2 terminaler per pol. Kabelindgang via udslagsblanketter.
Velegnet til indendørs installation og udendørs installation, beskyttet mod vejrpåvirkninger.
Mere information
Information
Specifikationer
Dokumenter
2,5-10 mm², Cu 3~
Klemme med 2 terminaler pr. pol
5-polet klemme, pr. pol 6 x 2,5 mm² r / f, 4 x 4 mm² r / f, 4 x 6 mm² r / f, 4 x 10 mm² r / f, 2 x 16 mm² s / f
Incl. Kabelgennemføring: 3 x ESM 40, tætningsområde Ø 17-30 mm
Med to kabelindføringer M32 i bunden
Plomberbare lågskruer
Udvendige beslag for vægmontering
Farve: grå, RAL 7035
El-nummer
8821103706
EAN-nummer
4012591125051
Dimensioner (HxBxD)
155x210x92 mm
Vægt
0,58 kg
Materiale
PC (polykarbonat)
Farve
Grå
Beskyttelsesgrad
IP66
El-nummer
8821103706
EAN-nummer
4012591125051
Dimensioner (HxBxD)
155x210x92 mm
Vægt
0,58 kg
Materiale
PC (polykarbonat)
Farve
Grå
Beskyttelsesgrad
IP66
Tekniske data
1,083.00 Kb